珀金斯柴油機配件批發2674 A120渦輪增壓器 T4.20
項目 零配件號碼 最近的部分號碼
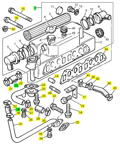
1 2674 A120 1 2674 A120 渦輪增壓器
(1) 2674 A120P 1 2674 A120R 渦輪增壓器 -交換
(1) 2674 A120R 1 2674 A120R 渦輪增壓器 -交換
9425B050SBHB0478 Turbocharger, Manifolds & Air Charge Cooler
9429B050SBHB0478 Turbocharger, Manifolds & Air Charge Cooler
9430B050SBHB0478 Turbocharger, Manifolds & Air Charge Cooler
9431B050SBHB0478 Turbocharger, Manifolds & Air Charge Cooler
Item Parts No. Qty. Latest Part No. Description Cut Out Cut In Comment
2 26741162 1 26741162 CORE
3 1 HOUSING
4 26741182 1 26741182 GASKET
5 26741140 1 26741140 RING
6 1 HOUSING
7 1 ARM
8 1 LEVER
9 26741136 2 26741136 RING
10 1 RETAINER
11 26741189 1 26741189 ROD
12 26741219 1 26741219 ACTUATOR
13 1 BRACKET
14 26741131 1 26741131 HOSE
15 26741178 1 26741178 HOSE CLIP
16 26741178 1 26741178 HOSE CLIP
17 26741180 1 26741180 LOCKNUT
18 2 BOLT
19 26741173 4 26741173 BOLT
項目 零配件號碼 最近的部分號碼
1 2674 A120 1 2674 A120 渦輪增壓器
(1) 2674 A120P 1 2674 A120R 渦輪增壓器 -交換
(1) 2674 A120R 1 2674 A120R 渦輪增壓器 -交換
2 1 TURBOCHARGER
3 26741130 1 26741178 CLAMP
4 26741131 1 26741131 HOSE
5 26741130 1 26741178 CLAMP
項目 零配件號碼 最近的部分號碼
1 3777 C071 1 3777 C071 進氣岐管
2 3681 V003 2 3681 V003I 密合墊 - IND 的岐管
2 36862189 2 36862189 密合墊 - 排出岐管
3 2314 H004 6 2314 H004 螺旋
4 3382 D006 1 3382 D006 水管
5 2481890 1 2481890 水管夾
6 2481890 1 2481890 水管夾
7 3763 D031 1 3763 D031 肘管
8 3482 E006 1 3482 E006 水管
9 2481889 1 2481889 夾
10 2481889 1 2481889 夾
11 L681VF03 1 L681VF03 密合墊 -渦輪增壓器
12 L254HF04 4 2313 M359 圖釘
13 2318 A663 4 2318 A663 螺帽
14 2674923 1 2674923 HEATSHIELD
15 2131 A008 3 2131 A008 墊圈
16 3621 T006 1 3621 T006 托架
17 2131325 3 2131325 墊圈
Item Parts No. Qty. Latest Part No. Description Cut Out Cut In Comment
1 4123E004 1 4123E004 OIL PIPE
8 2314H003 2 2314H003 SCREW
9 3763R011 1 3763R011 CONNECTION
10 2441A004 1 2441A004 NUT
11 2415C004 1 ST11229 SEAL
12 33851126 1 Check History HOSE
13 2481884 1 2481884 CLIP
14 2481884 1 2481884 CLIP
15 4126X031 1 4126X031 OIL PIPE
2 36568135 1 36568135 CLIP
3 36568135 1 36568135 CLIP
4 36568135 1 36568135 CLIP
5 0576112 1 0576112 NUT
6 0566003 1 0566003 OLIVE
7 1 NUT
16 36568148 1 36568148 CLIP
17 L3532F01 1 3353A014 NUT
Item Parts No. Qty. Latest Part No. Description Cut Out Cut In Comment
1 2652C801 1 2652C801 CAP
2 2652C802 1 2652C802 ADAPTOR
3 2481890 2 2481890 HOSE CLIP
4 2481889 1 2481889 CLIP
5 4133Y031 1 4133Y031 ELBOW
8 L688CF01 1 L688CF01 GASKET
9 2313C071 2 2313C071I STUD
10 2318A663 2 2318A663 NUT
11 2313C060 2 2313C060 STUD
12 2318A663 2 2318A663 NUT
13 3764A092 1 3764A092 CONNECTION
14 3683H004 1 3683H004 GASKET
15 2314H008 2 2314H008 SCREW
16 U5MH0009 1 U5MH0009 HOSE KIT
20 4126P113 1 4126P113 WATER PIPE
22 2314H001 2 2314H001 SCREW
23 0650002 1 0650002 PLUG
24 0920154 1 0920154 WASHER
25 3518H102 1 3518H102 TUBE
適用機型:XG560S-DT2(CCCD6), 其他
購買配件須知:
1、購買前請確認零部件型號、技術參數、編碼、適用機型。因批次不同或存在零部件差異,請以實物為準。
2、為選購正確的零部件,可以通過對比現場零部件和本網站所展示的是否一致,來確保購買到準確的零部件。
3、本網站目前暫未上架全部機型的零部件,如在網站中未查詢到的零部件,可在網站留言說明,或撥打免費電話0592-5806900咨詢。

廈門永新昌公司成立于1993年,是一家集叉車銷售、維修、租賃、配件批發為主營業務的企業,為大多數知名企業提供搬運設備,公司擁有眾多設備資源可供選擇。
Copyright © 1993-2025 廈門永新昌機械設備有限公司 All rights reserved.
銷售熱線:0592-5806900 叉車配件:0592-5814841 網站備案號:閩ICP備17018322號-1








